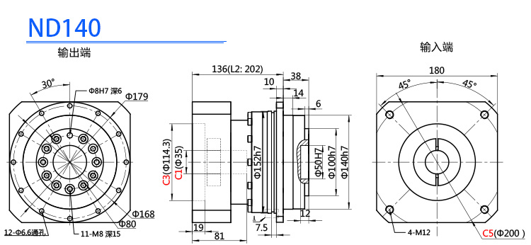
ND法兰盘斜齿减速机
盘输出结构更紧凑,优秀的盘面跳动、适用于高定位精度、高刚性、动态性能更佳的传动方案。
产品命名: N–D- 090 – 010 - P1 - 电机型号
N:诺瑞代号 (NARUIN)
D: 产品系列(NB/ND/NVB/NE/NBR/NDR/NPF/NPL/NF/NPFK/NPLK/NPFR/NPLR/NPFZ/NPLZ /NTJ/NT/NR/NS/NK/NZT)
090:产品规格 064 090 110 140 200 255
010:减速比 单级速比 4 5 7 8 10 双级速比 20 25 35 40 50 70 80 100
P1:产品精度 P0≤1 arcmin P1≤3 arcmin P2≤5 arcmin(标准背隙)
产品命名: N–D- 090 – 010 - P1 - 电机型号
N:诺瑞代号 (NARUIN)
D: 产品系列(NB/ND/NVB/NE/NBR/NDR/NPF/NPL/NF/NPFK/NPLK/NPFR/NPLR/NPFZ/NPLZ /NTJ/NT/NR/NS/NK/NZT)
090:产品规格 064 090 110 140 200 255
010:减速比 单级速比 4 5 7 8 10 双级速比 20 25 35 40 50 70 80 100
P1:产品精度 P0≤1 arcmin P1≤3 arcmin P2≤5 arcmin(标准背隙)
产品说明












