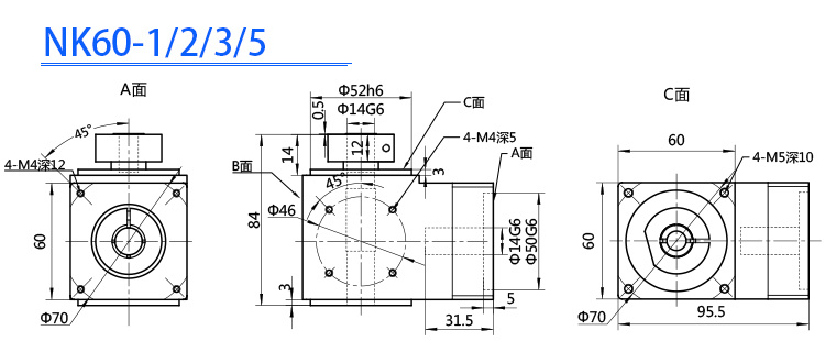
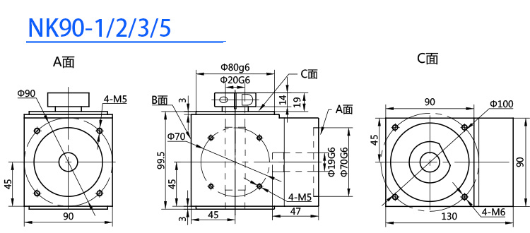
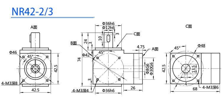
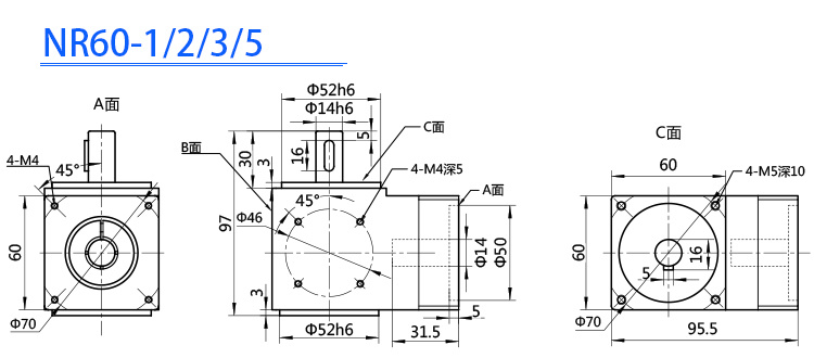
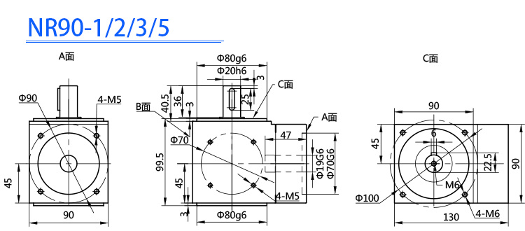
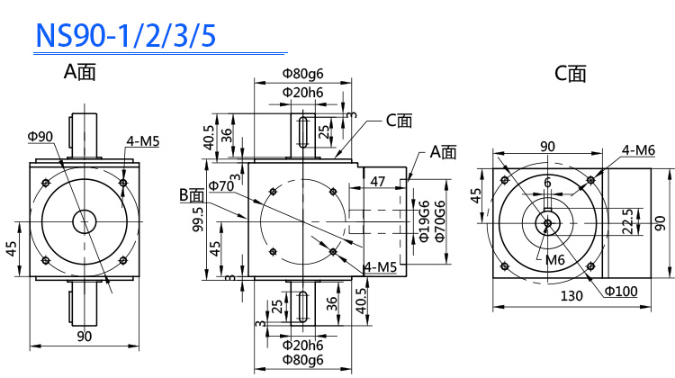
螺旋伞齿减速箱
适用于安装空间极小的产品和方案、独特的设计,让螺旋伞齿噪音降低10分贝,输出多样性、安装匹配更灵活。
产品命名: N–R- 060 – 02 – P2 - 电机型号
输出形式:NR单轴输出 NS双轴输出 NK孔输出 NZT六轴
N:诺瑞代号 (NARUIN)
R:产品系列(NB/ND/NVB/NE/NBR/NDR/NPF/NPL/NF/NPFK/NPLK/NPFR/NPLR/NPFZ/NPLZ /NTJ/NT/NR/NS/NK/NZT)
060:产品规格 042 060 090 120
02:减速比 单级速比 2 3
P2:产品精度 P2≤7 arcmin
产品命名: N–R- 060 – 02 – P2 - 电机型号
输出形式:NR单轴输出 NS双轴输出 NK孔输出 NZT六轴
N:诺瑞代号 (NARUIN)
R:产品系列(NB/ND/NVB/NE/NBR/NDR/NPF/NPL/NF/NPFK/NPLK/NPFR/NPLR/NPFZ/NPLZ /NTJ/NT/NR/NS/NK/NZT)
060:产品规格 042 060 090 120
02:减速比 单级速比 2 3
P2:产品精度 P2≤7 arcmin
产品说明
















