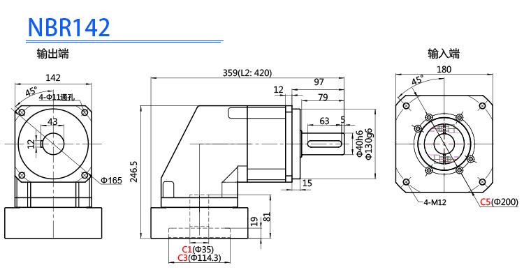
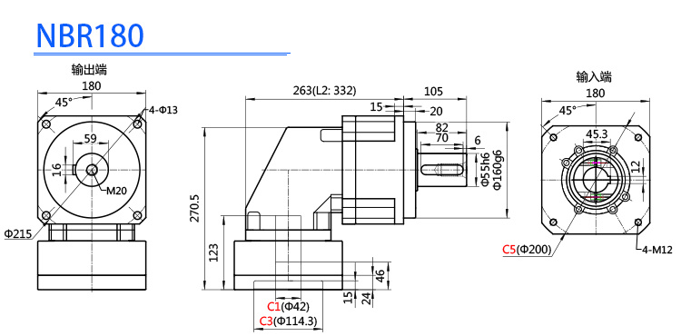
NBR直角斜齿行星减速机
提供节能高效并在设备中占用极小的安装空间的产品,独特的内部设计,让螺旋伞齿噪音降低10分贝;高精度、高刚性输出解决方案。
产品命名: N–BR- 090 – 010 - P1 - 电机型号
N:诺瑞代号 (NARUIN)
BR: 产品系列(NB/ND/NVB/NE/NBR/NDR/NPF/NPL/NF/NPFK/NPLK/NPFR/NPLR/NPFZ/NPLZ /NTJ/NT/NR/NS/NK/NZT)
090:产品规格 060 090 120 142 180
010:减速比 单级速比 3 4 5 7 8 10 双级速比 15 20 25 30 35 40 50 70 80 100
P1:产品精度 P1≤3 arcmin P2≤5 arcmin(标准背隙)
产品命名: N–BR- 090 – 010 - P1 - 电机型号
N:诺瑞代号 (NARUIN)
BR: 产品系列(NB/ND/NVB/NE/NBR/NDR/NPF/NPL/NF/NPFK/NPLK/NPFR/NPLR/NPFZ/NPLZ /NTJ/NT/NR/NS/NK/NZT)
090:产品规格 060 090 120 142 180
010:减速比 单级速比 3 4 5 7 8 10 双级速比 15 20 25 30 35 40 50 70 80 100
P1:产品精度 P1≤3 arcmin P2≤5 arcmin(标准背隙)
产品说明











